X35DB3
Relè Tipo B - 2 mod. DIN
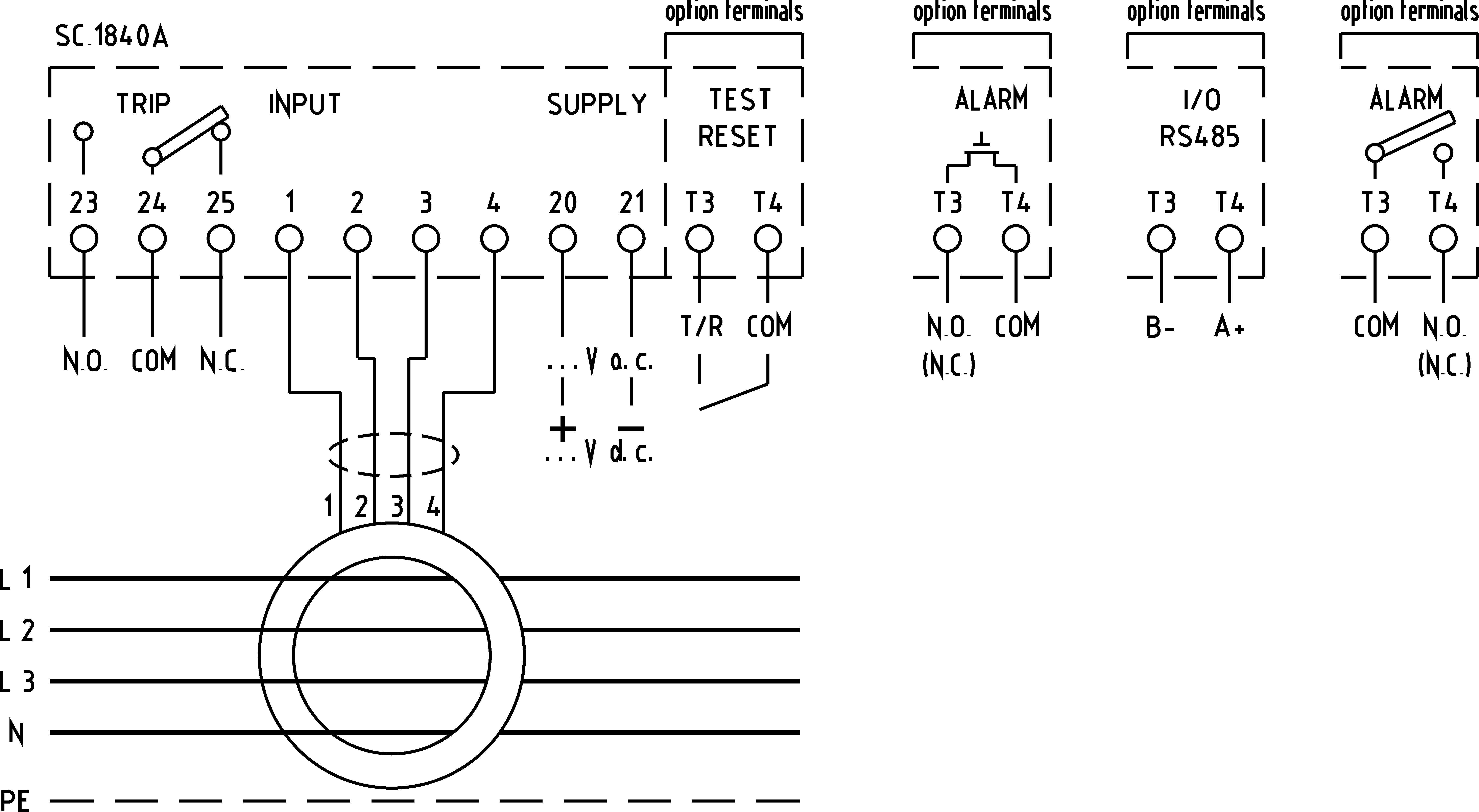
I relè differenziali di terra Tipo B della serie X...DB3 sono stati progettati per rilevare in modo intuitivo e automatico le correnti di fuga di tipo continuo, alternato e ad alta frequenza. La loro particolarità è quella di permettere un controllo continuo e immediato, attraverso il display multicolore, dello stato di isolamento.
DOWNLOAD
Scopri la sezione Download dedicata ad i prodotti Frer!
Scopri di più



